Garagentorantriebe, Rolltorantriebe, Drehtorantriebe, Hoftorantriebe
Betting und Buss GbR
Sicherheitsshop - Shop Startseite Garagentorantriebe, Rolltorantriebe, Drehtorantriebe, Hoftorantriebe Sicherheit im Haus und Einbruch verhindern - Beispiele Gitterrostsicherung Sträb Celarix - Workshop Fragen (FAQ) zur mechanischen Einbruchsicherung Partner - sicherers Heim Über uns - sicherers Heim Impressum - sicherers Heim Datenschutz

Auswahlkriterien für den Garagentorantrieb RolloPort S3

Zulässige Garagentorarten für den RolloPort S3

Garagentorantrieb für Schwingtor

Einbaubeispiel für den RolloPort S3

Der Garagentorantrieb eignet sich zum Antrieb handelsüblicher ausschwingender Standard-Schwingtore ohne bauseitige Füllung und Innenisolierung. Die Schwingtore müssen den Anforderungen folgender Normen entsprechen: EN 12453 und EN 12604

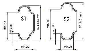
Zulässige Garagentoremaße

  • Max. Torbreite: 2,50 m
  • Max. Torhöhe: 2,38 m

Deckenlaufschiene für Garagentorantrieb Rator F3

Geeignete Deckenlaufschiene für den RolloPort S3

Der Antrieb bzw. die Antriebsräder sind für den Einsatz in den hier abgebildeten Deckenlaufschienen mit C-Profil optimiert. Diese gewährleisten eine maximale Kraftübertragung der Antriebsräder.

Auswahlkriterien für den RolloPort S3

Zuordnung Deckenlaufschienen zum passenden RolloPort S3





Copyright (c) 2004 Komfortabel und Sicher Betting Buss GbR-
- Krommerter Weg 54 - 46414 Rhede - Tel.: 02872 / 803759 - Fax.: 02872 / 1291

-------------------------------- Unsere Shops und Ratgeber ---------------------------

Rollladenantriebe | Einbruchs-Sicherung | Rauchmelder-Alarmsysteme | Reparatur-Service Rollotron-Ratgeber | Rohrmotor-Ratgeber | Baumarktrohrmotor